Products

Home / Products

SERIES D08-DOUBLE PASSAGE FOR TWO DIFFERENT FLUIDS

SERIES D08-DOUBLE PASSAGE FOR TWO DIFFERENT FLUIDS
 

Rotoflux unions of the model D08 with two separated passages are employed in applications with two different fluids.

In case of any leakage there is no possibility of contact and contamination between the two fluids.

Do not use the unions at max application limits without consulting us.

Swipe left and right to check more information.

MEDIUM

PASSAGE

PRESSURE

TEMPERATURE

RPM

FILTRATION

Hydraulic oil

B1

90 bar / 1305 PSI

90°C / 195°F

5 bar / 72.5 PSI – 8000

90 bar / 1305 PSI– 0

30 μ

(MAX 60)

Air, MQL

10 bar / 145 PSI

5 bar / 72.5 PSI – 5000

10 bar / 145 PSI– 2000

Dry run

/

/

5000

/

Coolant

B2

70 bar / 1015 PSI

90°C / 195°F

5000

30 μ

(MAX 60)

Hydraulic oil

Air, MQL

10 bar / 145 PSI

Dry run

/

/

/


Swipe left and right to check more information.

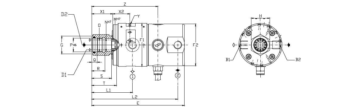
Ordering code

Double passage for 2 different fluids

 

B1 – B2

D1

D2

E

ø F1

ø F2

G

H

L1

L2

ø M H7

ø N H7

D08-1120-20R

G 1/4”

24 mm2

Ø5.5  24 mm2

150

70

68

29

32

66

139

12

20.8

O

ø P g6

Q

R

S

T

X1

X2

Y

Z

Kg

 

M22x1

22

9

21.5

31.9

40

34

27.6

M4

107

1.4

 

PolarJet insists on Perfection and Responsibility of our Quality. Three commitments on our Product Quality.


PolarJet uses high quality components to assemble HPC products to ensure reliability and durability.

PolarJet CNC Solutions Inc. specializes in High Pressure Coolant System development and manufacture, we provide the solutions for the difficult-to-cut manufacturing problem with safety, cost-saving and competitive enhancement for the domestic and foreign customers.