SERIES BH-HIGH SPEED, COOLANT, MQL, AIR, DRY RUN
The unions of the model BH have been designed for machine tool spindles rotating at high speed with fluid (coolant or air) passing through or dry when needed.
The seals, balanced and microlapped, remain always closed without problems both with fluid passing through (wet run) or without fluid (dry run).
Do not use the unions at max application limits without consulting us.
|
MEDIUM |
MODEL |
PRESSURE |
TEMPERATURE |
RPM |
FILTRATION |
|
Coolant |
BH08 |
100 bar / 1450 PSI |
90°C / 195°F |
22000 |
60 μ (MAX 100) |
|
BH10 |
80 bar / 1015 PSI |
18000 |
|||
|
Air, MQL |
BH08 |
10 bar / 145 PSI |
22000 |
30 μ (MAX 60) |
|
|
BH10 |
18000 |
||||
|
Dry run |
BH08 |
/ |
/ |
22000 |
/ |
|
BH10 |
18000 |

|
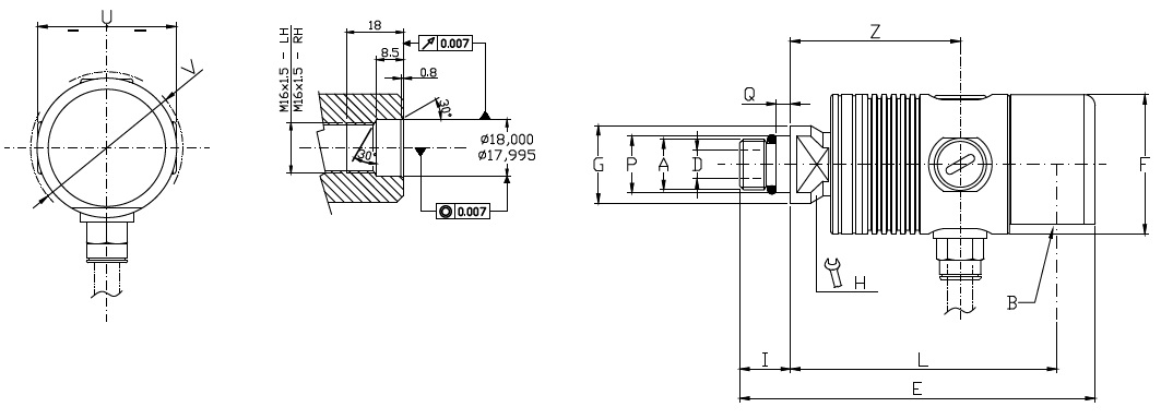
Ordering code |
90° Unions |
||||||||||||||
|
|
A |
B |
ø D |
E |
ø F |
ø G |
H |
I |
L |
ø P |
Q |
U |
ø V |
Z |
Kg |
|
BH08-1520-04R |
M16 X 1.5 RH |
G 1/4 " |
5 |
94 |
37 |
24.5 |
17 |
16 |
69 |
18 |
4.5 |
37.6 |
40 |
41 |
0.3 |
|
BH08-1520-05L |
M16 X 1.5 LH |
||||||||||||||
|
BH10-1720-04R |
M16 X 1.5 RH |
G 3/8 " |
9 |
114 |
44 |
24.5 |
17 |
16 |
86 |
18 |
4.5 |
43.6 |
47.5 |
53.5 |
0.5 |
|
BH10-1720-05L |
M16 X 1.5 LH |
||||||||||||||
|
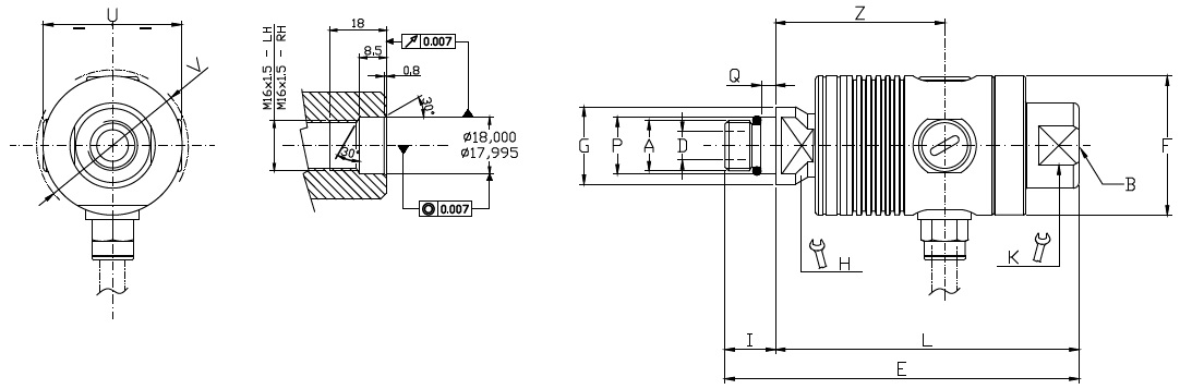
Ordering code |
Straight through Unions |
|||||||||||||||
|
|
A |
B |
ø D |
E |
ø F |
ø G |
H |
K |
I |
L |
ø P |
Q |
U |
ø V |
Z |
Kg |
|
BH08-1522-04R |
M16 X 1.5 RH |
G 1/4 " |
5 |
96 |
37 |
24.5 |
17 |
24 |
16 |
80 |
18 |
4.5 |
37.6 |
40 |
41 |
0.3 |
|
BH08-1522-05L |
M16 X 1.5 LH |
|||||||||||||||
|
BH10-1722-04R |
M16 X 1.5 RH |
G 3/8 " |
9 |
114 |
44 |
24.5 |
17 |
24 |
16 |
98 |
18 |
4.5 |
43.6 |
47.5 |
53.5 |
0.5 |
|
BH10-1722-05L |
M16 X 1.5 LH |
|||||||||||||||