SERIES S – ROTOFLUX FOR PRINTING MACHINES
These unions are available with two different balanced and microlapped sealing assemblies:
N Seal (Standard Sealing) with carbon graphite to carbide seals for application with filtered water.
Fluid pressure over 8 bar is allowed only when the fluid is cool water at max temperature 125°F (50°C).
Do not use the unions at max application limits without consulting us.
|
PRESSURE |
TEMPERATURE |
RPM |
|
|
Water |
50 bar / 725 PSI |
95°C / 203°F |
3500/5000 |

|
Ordering code |
Double passage stationary siphon unions |
||||||||||||||||
|
Water |
A |
B1 |
B2 |
D |
E |
F |
H |
I |
L |
M |
N |
O |
P |
Q |
R |
S H8 |
Kg |
|
S15-1292-25R-840 |
M20 X 1,5 RH |
G 1/2″ |
G 3/8″ |
13 |
149 |
55 |
SW 30 |
19 |
79,5 |
13 |
51,5 |
39,5 |
21 |
5 |
116 |
10 |
1,5 |
|
S15-1292-26L-840 |
M20 X 1,5 LH |
||||||||||||||||
|
S15-1292-04R-840 |
M20 X 1,5 RH |
G 1/2″ |
G 3/8″ |
13 |
149 |
55 |
SW 30 |
19 |
79,5 |
13 |
51,5 |
39,5 |
22 |
5 |
116 |
10 |
1,5 |
|
S15-1292-05L-840 |
M20 X 1,5 LH |
||||||||||||||||
|
S20-1292-25R-840 |
M27 X 1,5 RH |
G 3/4″ |
G 1/2″ |
18 |
174 |
64 |
SW 36 |
21 |
92 |
16 |
57,5 |
46 |
28 |
6 |
133 |
13 |
2,1 |
|
S20-1292-26L-840 |
M27 X 1,5 LH |
||||||||||||||||
|
Customer interface |
||||||||
|
A1 |
I1 |
ø P1 H7 |
Q1 |
R |
S1 |
ø T |
W |
|
|
S15-1292-25R-840 |
M20 X 1,5 RH |
20 |
21 |
8.5 |
116 |
10 |
10 X 1 |
26 |
|
S15-1292-26L-840 |
M20 X 1,5 LH |
|||||||
|
S15-1292-04R-840 |
M20 X 1,5 RH |
20 |
22 |
8.5 |
116 |
10 |
10 X 1 |
26 |
|
S15-1292-05L-840 |
M20 X 1,5 LH |
|||||||
|
S20-1292-25R-840 |
M27 X 1,5 RH |
22 |
28 |
10 |
133 |
13 |
13 X 1 |
28 |
|
S20-1292-26L-840 |
M27 X 1,5 LH |
|||||||
|
Ordering code |
Double passage stationary siphon unions |
||||||||||||||
|
Water |
A = A1 |
B1 |
B2 |
ø D |
E |
ø F |
H |
I |
L |
M |
N |
O |
R |
ø S H8 |
Kg |
|
S15-1292-23R-840 |
G 1/2″ RH |
G 1/2″ |
G 3/8″ |
13 |
145 |
55 |
SW 30 |
13 |
81,5 |
15 |
53,5 |
39,5 |
118 |
10 |
1,5 |
|
S15-1292-24L-840 |
G 1/2″ LH |
||||||||||||||
|
S20-1292-23R-840 |
G 3/4″ RH |
G 3/4″ |
G 1/2″ |
18 |
171 |
64 |
SW 36 |
16 |
94 |
18 |
59,5 |
46 |
135 |
13 |
2,1 |
|
S20-1292-24L-840 |
G 3/4″ LH |
||||||||||||||
|
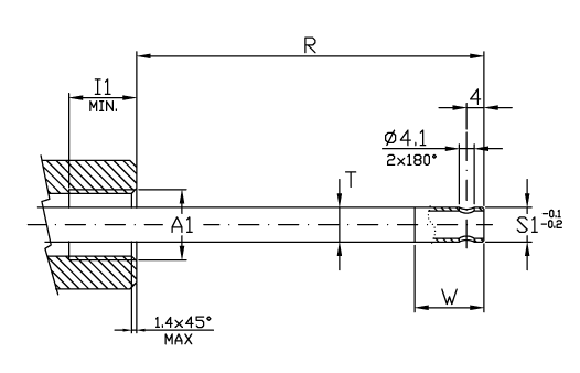
Customer interface |
||||||
|
A1 |
I1 |
R |
ø S1 |
ø T |
W |
|
|
S15-1292-23R-840 |
G 1/2″ RH |
20 |
118 |
10 |
10 x 1 |
26 |
|
S15-1292-24L-840 |
G 1/2″ LH |
|||||
|
S20-1292-23R-840 |
G 3/4″ RH |
20 |
135 |
13 |
13 x 1 |
28 |
|
S20-1292-24L-840 |
G 3/4″ LH |
|||||